Digi XBee Cellular Modems RF Modules Gateways Development Kits Software and Tools Find an XBee

Digi XBee XR 868

Now available

The Digi XBee XR family operates in the 863-870 MHz range, delivering superior performance and interference immunity

 
  • Low-power CE/RED certified 868 MHz RF module based on Silicon Labs EFR32 microcontroller
  • Design includes SAW filter for optimal performance in noisy RF environments
  • Listen-Before-Talk and Frequency Agility for optimal interference immunity
  • DigiMesh® networking topology for redundancy and reliability
  • Simple configuration using Digi XBee® Studio accelerates time to market

The Digi XBee XR 868 module is a compact and reliable solution supporting deployment of long-range connectivity applications in the European region. The pre-certified module operates between 863 and 870 MHz in compliance with European standards.

The module supports both point-to-point and mesh networking protocols, with a line-of-sight range of over 14 kilometers. It is well suited for agriculture and energy applications where long-distance communication is required.

Intelligent interference management

Digi XBee XR 868 also leverages 868 MHz and surrounding frequencies for LBT + AFA (Listen Before Talk and Adaptive Frequency Agility). This significantly reduces interference by listening to the radio environment before any transmission starts, and automatically shifts to a new channel when interference is detected. This patented frequency scan occurs automatically and in a matter of microseconds so as not to impact performance.

Accelerate development with Digi XBee Studio

The Digi XBee XR 868 RF module is a complete hardware and software solution that works directly out of the box. Digi XBee Studio, Digi’s easy-to-use RF configuration tool, reduces development time from months to weeks, ensuring your product gets to market fast.

Digi XBee Studio

Free multi-platform application that enables developers to manage Digi XBee devices through a simple-to-use graphical interface.

Learn More
XBee Studio interface displaying device configuration and connection settings on a monitor
Digi XBee Tools

Develop, Build, Deploy and Manage Your Digi XBee Network

Digi XBee® Tools

Digi XBee Tools support the complete IoT application lifecycle, from the evaluation, testing and prototyping phase through manufacturing and deployment to long-term network management. See how Digi XBee Tools simplify tasks and help get to market faster.

Discover Digi XBee Tools

Compare Sub-GHz Wireless OEM RF Modules

Compare Sub-GHz Wireless OEM RF Modules
Development Kit
SKU: XK-8XR-DMM Now available
Digi XBee XR 868 Development Kit with Digi XBee XR 868 MHz, U.FL, MMT
XK-8XR-DMM How to Buy
Digi XBee Hive Development Kit
SKU: XH-868-TW1-101 Now available
Digi XBee Hive Development Kit — Digi XBee Hive Gateway with Digi XBee XR 868, Ethernet, dual-band Wi-Fi, cellular and accessories
XH-868-TW1-101 How to Buy
Micro-Mount Modules - MMT
SKU: XB-8XR-DMUM-101 Now available
Digi XBee XR 868 MHz, DigiMesh, U.FL, MMT
XB-8XR-DMUM-101 How to Buy
SKU: XB-8XR-DMRM-101 Now available
Digi XBee XR 868 MHz, DigiMesh, RF pad, MMT
XB-8XR-DMRM-101 How to Buy
Surface-Mount Modules - SMT
SKU: XB-8XR-DMCS-101 Now available
Digi XBee XR 868 MHz, DigiMesh, chip, SMT
XB-8XR-DMCS-101 How to Buy
SKU: XB-8XR-DMRS-101 Now available
Digi XBee XR 868 MHz, DigiMesh, RF pad, SMT
XB-8XR-DMRS-101 How to Buy
SKU: XB-8XR-DMUS-101 Now available
Digi XBee XR 868 MHz, DigiMesh, U.FL, SMT
XB-8XR-DMUS-101 How to Buy
Through-Hole Modules - TH
SKU: XB-8XR-DMST-101 Now available
Digi XBee XR 868 MHz, DigiMesh, RPSMA, TH
XB-8XR-DMST-101 How to Buy
SKU: XB-8XR-DMUT-101 Now available
Digi XBee XR 868 MHz, DigiMesh, U.FL, TH
XB-8XR-DMUT-101 How to Buy
Micro-Mount Modules - MMT — NRND
SKU: XB-8XR-DMRM-001 NRND
Digi XBee XR 868 MHz, DigiMesh, RF pad, MMT (NRND, see XB-8XR-DMRM-101)
XB-8XR-DMRM-001 How to Buy
SKU: XB-8XR-DMUM-001 NRND
Digi XBee XR 868 MHz, DigiMesh, U.FL, MMT (NRND, see XB-8XR-DMUM-101)
XB-8XR-DMUM-001 How to Buy
Gateways
SKU: XH-868-CE0-001 Now available
Digi XBee Hive Gateway — 868 MHz, Ethernet, EU
XH-868-CE0-001 How to Buy
SKU: XH-868-CE1-101 Now available
Digi XBee Hive Gateway — 868 MHz, Ethernet, LTE Cat 1, EU
XH-868-CE1-101 How to Buy
SKU: XH-868-CW0-001 Now available
Digi XBee Hive Gateway — 868 MHz, Ethernet, dual-band Wi-Fi, EU
XH-868-CW0-001 How to Buy
SKU: XH-868-CW1-101 Now available
Digi XBee Hive Gateway — 868 MHz, Ethernet, dual-band Wi-Fi, LTE Cat 1, EU
XH-868-CW1-101 How to Buy
Development Boards
SKU: XBIB-C-MMT Development board - XBee 3, USB-C, micro XBIB-C-MMT How to Buy
SKU: XBIB-C-SMT Development board - XBee 3, USB-C, surface-mount socket XBIB-C-SMT How to Buy
SKU: XBIB-CU-TH Development board - XBee 3, USB-C, through-hole sockets XBIB-CU-TH How to Buy
Antennas and Cables
SKU: A08-HASM-560 Antenna - 868 MHz, half wave, 2.1 dBi, RPSMA male, articulating. A08-HASM-560 How to Buy
SKU: JF1R6-CR3-4I Cable - U.FL female to RPSMA female 4". JF1R6-CR3-4I How to Buy
Services and Support
Digi XBee Studio
Free multi-platform application that enables developers to manage Digi XBee cellular devices through a simple-to-use graphical interface
  Get Started
Digi XCTU
XCTU is a free multi-platform application designed to enable developers to interact with Digi RF modules through a simple-to-use graphical interface. It includes new tools that make it easy to set-up, configure and test XBee® RF modules.
  Get Started
Digi Remote Manager
Digi Remote Manager is the technology platform enabling and automating the deployment, monitoring and management of thousands of devices from a single point of command. Compare Digi’s multiple offerings and varying subscription terms to meet your business needs.
  Get Started
Wireless Design Services
Digi wireless design services help companies solve business problems by embedding wireless technologies to create innovative M2M products
  Get Started
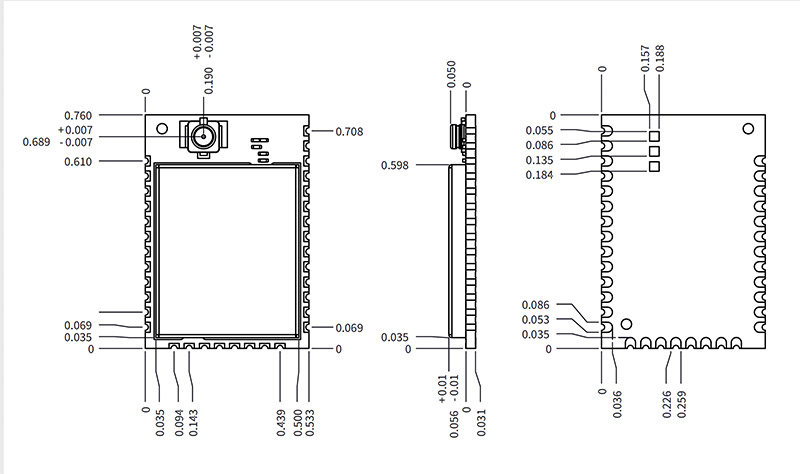
Specifications Digi XBee XR 868
HARDWARE
PROCESSOR EFR32FG13P231F512 transceiver at 40 MHz
FREQUENCY BAND 863 MHz – 870 MHz
AVAILABLE FORM FACTORS Micro-mount (MMT), surface-mount (SMT), through-hole (TH)
ANTENNA OPTIONS MMT: U.FL connector, RF pad
SMT: U.FL connector, RF pad, chip antenna
TH: U.FL connector, SMA
DIMENSIONS MMT: 1.2 grams (0.042 oz)
SMT: 3.0 grams (0.106 oz)
TH: 3.1 grams (0.109 oz)
WEIGHT MMT: 1.2 grams (0.042 oz)
SMT: 3.0 grams (0.106 oz)
TH: 3.1 grams (0.109 oz)
PERFORMANCE
RF DATA RATE 10 Kbps or 80 Kbps, software selectable
UART DATA RATE Up to 921.6 kbps
SPI DATA RATE Up to 5 Mbps
LINE-OF-SIGHT RANGE* Up to 14.5 km with 2.1 dBi antenna
TRANSMIT POWER Up to 13 dBm ERP
RECEIVER SENSITIVITY −107 dBm at 80 Kbps, −112 dBm at 10 Kbps
FEATURES
I/O 13 Digital I/O
ANALOG INPUTS 4 channels 10-bit
OPERATING TEMPERATURE −40 °C to 85 °C (−40 °F to 185 °F), temperature compensated crystal oscillator
NETWORKING TOPOLOGIES DigiMesh, repeater, SX protocol compatible
SECURITY 256-bit AES Encryption
POWER
SUPPLY VOLTAGE 2.1 – 3.6 VDC
TRANSMIT CURRENT 76 mA
RECEIVE CURRENT 26 mA
SLEEP CURRENT 1.5 uA
REGULATORY APPROVALS**
ETSI (EUROPE) CE/RED
ROHS Compliant

digi-xbee-xr-868-images-dimensions.jpg

digi-xbee-xr-868-drawing.jpg

*Range figure estimates are based on free-air terrain with limited sources of interference. Actual range will vary based on transmitting power, orientation of transmitter and receiver, height of transmitting antenna, height of receiving antenna, weather conditions, interference sources in the area, and terrain between receiver and transmitter, including indoor and outdoor structures such as walls, trees, buildings, hills, and mountains.
**Visit https://www.digi.com/resources/certifications for latest certifications

Access the official support website for this product to obtain firmware updates, driver updates, software downloads, knowledge base articles, and user manuals.

Visit Support Website

Recently Viewed